Ir al contenido
My Website
  • Inicio
  • Tienda
  • Servicios
  • 0
  • 0
  • +593 96 342 8798
  • Inicia sesión
  • Contáctanos
My Website
  • 0
  • 0
    • Inicio
    • Tienda
    • Servicios
  • +593 96 342 8798
  • Inicia sesión
  • Contáctanos

CONSULTORIAS

Atras

Diseños y consultorías

Algunos de nuestros servicios en este campo. 


PUESTA A TIERRA Y PARARRAYOS

Medición en campo, cálculo en software, dimensionamiento de equipos y diseño integral del sistema, garantizando seguridad y cumplimiento normativo.

DISEÑOS LUMÍNICOS

Levantamiento de información, diseño en software especializado y dimensionamiento de equipos para lograr soluciones eficientes, funcionales y acordes a tu proyecto.

PLANOS ELÉCTRICOS Y ELECTRÓNICOS

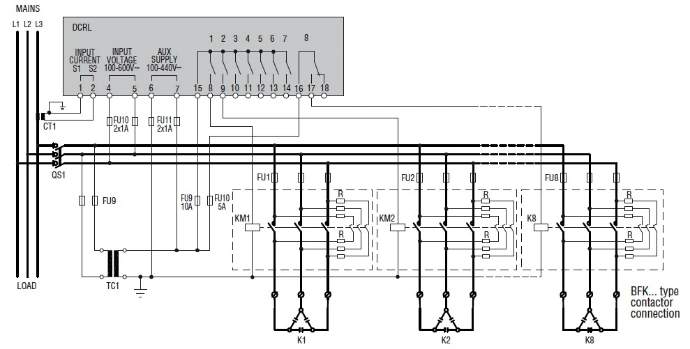
Diseñamos planos eléctricos en software especializado para proyectos en AT, MT y BT, además de planos de control y fuerza para tableros de control industrial.

PROGRAMACIONES Y SIMULACIONES

Desarrollamos la programación de PLC y HMI según los requerimientos de tu proyecto, trabajando con diversas marcas de alta calidad para garantizar rendimiento, confiabilidad y eficiencia.

REDES DE DISTRIBUCION

Diseñamos redes eléctricas de distribución y alumbrado, dimensionamos todos los equipos y gestionamos la aprobación del proyecto ante la empresa eléctrica distribuidora.

CELDAS DE MEDIA TENSION

Diseñamos celdas de media tensión, desarrollando planos, esquemas y especificaciones técnicas, asegurando soluciones seguras, funcionales y acordes a cada proyecto.

Pararrayos y sistemas puesta a tierra

Trabajamos con softwares especializados para realizar nuestros diseños, aplicamos normativa vigente.

 

Diseños lumínicos

Realizamos la simulación lumínica para vías, parques, canchas deportivas e iluminación arquitectonica en DIALUX.

 

Planos electricos y electrónicos

Diseñamos planos eléctricos unifilares y multifilares en MT, AT y BT, además de planos electrónicos de control y fuerza para tableros de control y automatización. Contamos con amplia experiencia en ingeniería eléctrica integral. 

 

SI TIENES DUDAS Y NECESITAS ASESORIA, TENEMOS UN EQUIPO DE INGENIEROS ESPECIALISTAS EN ESTAS AREAS

Escríbenos sin compromiso, estamos gustosos de ayudarte y trabajar juntos

Contáctanos

Sobre nosotros

Somos una empresa Ecuatoriana, moderna, ágil y confiable que combina tecnología, suministros eléctricos y experiencia técnica para ofrecer una experiencia de compra clara, rápida y profesional.

Contamos con un equipo de ingenieros altamente capacitados y especialistas en las áreas que ofertamos.

Contáctenos

SIDEL INDUSTRIAL
Fray Vicente Solano y Condamine - Quito

Quito, Ecuador

  • +593 96 342 8798
  • proyectos@sidel-ecuador.com
Síganos
Derechos reservados © SIDEL ECUADOR S.A.S
Con la tecnología de Odoo - El mejor Comercio electrónico de código abierto